Message  |  Chinese  |  English

搜索
Search
3 3
2 2
1 1

Product

左侧联系我们

Time of issue:2020-05-26 00:00:00

Contact us

Address: No.83, Guo village, Majuqiao town, Tongzhou District, Beijing
E-MAIL:
yang@haitailong.com.cn
Mr. Yang:13901187359
Telephone:010-60506781
          0316-7677569
Fax:0316-7677819

Product

Number of views:
1000

I LBJ-1 Ice Separating Machanism

DbycseriesdefrostingtimerisanewtypetimerdrivenbycoverpoleACsynchronousmotor.Itischaracterizedbysmallvolume,largetorqueandreliableoperation.Itsinstallationsize,rotationdirectionofmainshaftandarrangementofreedterminalsareexactlythesameasthoseofAmericanParagondefrostingtimer,soitcanbedirectlyusedinvariousair-cooledfrostfreerefrigeratorsoftheoriginalParagontimer
Retail price
0.0
Market price
0.0
Number of views:
1000
Product serial number
Quantity
-
+
Stock:
Product description
Parameters

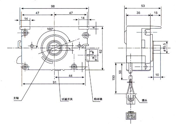
  I LBJ-1 Ice Separating Machanism

 

  LBJ-1 series ice separating machanism is used to seperate ice cubes from ice making mechanism in the refrigerator. It functions by twisting the plastic ice tray. Ice cubes are separated from the tray then falls into the ice bucket. LBJ-1 can automatically detect the ice level in the bucket, and turn off the ice making mechanism when the ice bucket is full. LBJ-1 has great reliability. It is a necessary component for refrigerators with ice making mechanism.

  II External Dimensions Drawing

  III Main Technical Specifications

  Voltage Rating of Motor: DC12±1V

  Load Torque: output shaft: 400N.cm(40.8kgf.cm CW direction)

  ice detection shaft: 5N.cm(0.51kgf.cm CCW direction)

  Hall: DC5V/12V 15mA) (maximum)

  Output Torque of Output Shaft: >450-900N.cm(46-92kgf.cm CW direction)

  Output Torque of Ice Detection Shaft: >1.5N.cm(150gf.cm CCW direction)

  Action Time: 9s±3S(CW direction: 0-160 degrees)

  7S±3S(CCW direction: 160-0 degree)

  Input Current of Motor: no-load current: <1,000mA

  rated load current: <400mA

  stalling current: <1,000mA

  Noise: 75db(A)

 

  IV Circuit Type

 

  V Products of special specifications can be custom made upon request.

Scan the QR code to read on your phone
We could not find any corresponding parameters, please add them to the properties table

Page Copyright: Beijing haitailong Electric Appliance Co., Ltd   Powered by www.300.cn  京ICP备05017853号