Message  |  Chinese  |  English

搜索
Search
3 3
2 2
1 1

Product

左侧联系我们

Time of issue:2020-05-26 00:00:00

Contact us

Address: No.83, Guo village, Majuqiao town, Tongzhou District, Beijing
E-MAIL:
yang@haitailong.com.cn
Mr. Yang:13901187359
Telephone:010-60506781
          0316-7677569
Fax:0316-7677819

Product

Number of views:
1000

I DBYC Series Defrost Timer

DbycseriesdefrostingtimerisanewtypetimerdrivenbycoverpoleACsynchronousmotor.Itischaracterizedbysmallvolume,largetorqueandreliableoperation.Itsinstallationsize,rotationdirectionofmainshaftandarrangementofreedterminalsareexactlythesameasthoseofAmericanParagondefrostingtimer,soitcanbedirectlyusedinvariousair-cooledfrostfreerefrigeratorsoftheoriginalParagontimer
Retail price
0.0
Market price
0.0
Number of views:
1000
Product serial number
Quantity
-
+
Stock:
Product description
Parameters

  I DBYC Series Defrost Timer

 

  DBYC series defrost timer is a newly developed timer driven by AC synchronous shaded pole motor. It featuers compact dize, large output torque, and great reliability. The installation dimension, shaft rotating direction and layout of spring terminals are identical to those of PARAGON’s defrost timer. So DBYC series defrost timer can be used as substitute for PARAGON timer on various forced air cooling frost-free refrigerators

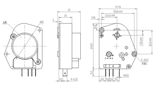
  II External Dimensions Drawing

 

  III Main Technical Specifications

 

Rated Voltage Frequency Input Current Input Power
AC100V 50/60Hz <10mA 0.4W
AC110V/127V 50/60Hz <10mA 0.4W
AC200V/240V 50/60Hz <15mA 0.6W
 

 

Contact Capacity
1-4 1-2
AC125V 10A COSφ=1 AC125V 10A COSφ=0.5-1
AC250V 5A COSφ=1  AC250V 5A COSφ=0.5-1

 

  IV Circuit Type

 

  V Timing Cycle T1 and Defrost Cycle T2

 

 
DBYC Series Timer Models and Timing Cycle Parameter ReferenceTable
Model 50HzT1 50HzT2 50HzT3 60HzT1 60HzT2 60HzT3
DBYC108S 1H13M±6M 9M36S±2M24S   1H01M±5M 8M±2M  
DBYC108SAN 1H±6M 7M30S±2M   50M±5M 6M15S±1M40S  
DBYC109S 1H02M±6M 9M±3M   51M±5M 7M30S±2M30S  
DBYC506 6H06M±6M 8M±3M   5H05M±5M 6M40S±2M30S  
DBYC603 6H±6M 3M17S±1M12S   5H±5M 2M44S±1M  
DBYC607S 7H30M±6M 8M24S±3M36   6H15M±5M 7M±3M  
DBYC621 7H12M±6M 25M12S±3M   6H±5M 21M±2M30S  
DBYC627 6H±6M 27M30S±2M30S   5H±5M 22M55S±2M5S  
DBYC640S 5H59M±6M 40-50M±5M   4H59M±5M 33-42M±4M10S  
DBYC703 7H22M±6M 3M±1M12S   6H08M±5M 2M30S±1M  
DBYC706S 8H01M±6M 7M18S±2M24   6H41M±5M 5M53S±2M  
DBYC802 8H48M±6M 2M24S±48S   7H20M±5M 2M±40S  
DBYC804K 8H4M±6M 3M30S±1M12S 1M30S±1M 6H43M±5M 2M55S±1M 1M15S±50S
DBYC803 8H±6M 2M24S±1M12S   6H40M±5M 2M±1M  
DBYC805 8H±6M 5M±1M12S   6H40M±5M 4M10S±1M  
DBYC807S 9H36M±6M 8M24S±2M24S   8H±5M 7M±2M  
DBYC807SBL 10H21M±6M 8M24S±2M24S   8H38M±5M 7M±2M  
DBYC820 8H01M±6M 20M54S±3M36S   6H41M±5M 17M24S±3M  
DBYC822 9H38M±6M 26M24S±3M36S   8H01M±5M 22M±3M  
DBYC812 9H38M±6M 15M±3M36S   8H01M±5M 12M30S±3M  
DBYC825 8H01M±6M 25M±5M   6H41M±5M 21M±4M20S  
DBYC903 10H50M±6M 3M36S±1M12S   9H02M±5M 3M±1M  
DBYC907S 12H±6M 8M±3M   10H±5M 6M40S±2M30S  
DBYC1003 12H±6M 3M18S±1M12S   10H±5M 2M45S±1M  
DBYC1004 9H57M±6M 4M±1M12S   8H18M±5M 3M20S±1M  
DBYC1005 10H50M±6M 5M49S±1M12S   9H02M±5M 4M51S±1M  
DBYC1009S 12H±6M 10M48S±2M24S   10H±5M 9M±2M  
DBYC1012 12H01M±6M 14M24S±3M36S   10H01M±5M 12M±3M  
DBYC1035 11H58M±6M 42M±3M36S   9H58M±5M 35M±3M  
DBYC1107AL 13H43M±6M 8M30S±2M24S   11H26M±5M 7M5S±2M  
DBYC1107AN 11H24M±6M 7M5S±2M24S   9H30M±5M 5M54S±2M  
DBYC1107K 11H24M±6M 5M20S±1M12S 2M±1M 9H30M±5M 4M27S±1M 1M40S±50S
DBYC1107S 11H22M±6M 7M20S±2M24S   9H28M±5M 6M7S±2M  
DBYC1203 12H±6M 3M17S±1M12S   10H±5M 2M44S±1M  
DBYC1204 12H±6M 4M48S±1M12S   10H±5M 4M±1M  
DBYC1205 12H±6M 6M36S±1M12S   10H±5M 5M30S±1M  
DBYC1206 12H±6M 6M±1M12S   10H±5M 5M±1M  
DBYC1207S 12H±6M 7M±2M24S   10H±5M 5M50S±2M  
DBYC1208S 14H20M±6M 9M36S±3M36S   11H56M±5M 8M±3M  
DBYC1210S 12H18M±6M 10M56S±3M   10H15M±5M 9M7S±2M30S  
DBYC1210S 12H17M±6M 10M±2M   10H14M±5M 8M20S±1M40S  
DBYC1110S 13H18M±6M 13M±2M24S   11H05M±5M 10M50S±2M  
DBYC1221 14H24M±6M 25M12S±3M36S   12H±5M 21M±3M  
DBYC1230 11H58M±6M 30M±3M36S   9H58M±5M 25M±3M  
DBYC1235 14H24M±6M 42M±3M36S   12H±5M 35M±3M  
DBYC1302 13H±6M 2M24S±48S   10H50M±5M 2M±40S  
DBYC1307 16H02M±6M 8M±2M24   13H22M±5M 6M40S±2M  
DBYC1307AN 13H05M±6M 7M12S±1M12S   10H54M±5M 6M±1M  
DBYC1608 19H12M±6M 9M36S±3M36S   16H±5M 8M±3M  
DBYC2407 24H01M±6M 7M±2M24S   20H01M±5M 5M50S±2M  
DBYC2496 23H59M±6M 96M±5M   19H59M±5M 80M±5M10S  
DBYC24100 28H49M±6M 120M±8M24S   24H±5M 100M±7M  
DBYC3109 31H16M±6M 7M30S±2M24S 4M±1M30S 26H03M±5M 6M15S±2M 3M20S±1M15S

 

  VI Noise:<30db(A)

  VII Products of special specifications can be custom made upon request.

Scan the QR code to read on your phone
We could not find any corresponding parameters, please add them to the properties table
Next

Page Copyright: Beijing haitailong Electric Appliance Co., Ltd   Powered by www.300.cn  京ICP备05017853号